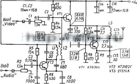
Видео передатчик на 21 канал (470 МГц).






















   L1 виток к витку 2 ряда ПЭВ1 0.2 0.2 на каркасе 3.2мм длинной 7 мм 18витков.
   L2 наматывается по верху, 1 7витков того же провода. L3 4 витка 0.7-0.8мм на оправке 3-4 мм для частоты 470мГц. Антенна провод 15-30мм R9 9-14 вольт 80мА пит 12В резистор 39ом при пит 9В резистор 18оМ Частота звука 6.5мГц

   При подключении разных камер нужно будет лишь немного подстроить чувствительность входным переменным резистором.




    Видео передатчик с дальностью передачи в 10 метров.   
   
    Видео передатчик с дальностью передачи 50 метров.   

    Видео передатчик на 21 канал (470 МГц).   

special technologies for professional company  © 2007-2009.
?????? ???????????
раскрутка сайта, поисковая оптимизация
Главная
Законодательство
Форум
Радиомикрофоны
Направленные микр
Выносные микр
Видеопередатчики
Стетоскопы
Телефонные жучки
Сотовые жучки
Скремблеры
Генераторы помех
Детекторы
Спец. приемники
Справочник
Настройка
Наши контакты
Наши партнеры
Гостевая
Интересная информация
Возьмите на заметку
Дополнительно