Видео передатчик с дальностью передачи 50 метров.



















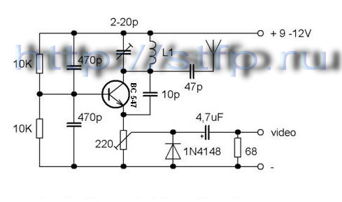
    Простой телепередатчик на 140-250 Мгц, на вход подаётся видео сигнал от видео камеры. Входное напряжение видео 20-30mW. Катушка содержит 4 витка диаметром намотки 5 мм и толщиной провода 0,5 мм. Провод желательно использовать посеребрянный, для улучшения стабильности работы.




    Видео передатчик с дальностью передачи в 10 метров.   
   
    Видео передатчик с дальностью передачи 50 метров.   

    Видео передатчик на 21 канал (470 МГц).   

special technologies for professional company  © 2007-2009.
?????? ???????????
раскрутка сайта, поисковая оптимизация
Главная
Законодательство
Форум
Радиомикрофоны
Направленные микр
Выносные микр
Видеопередатчики
Стетоскопы
Телефонные жучки
Сотовые жучки
Скремблеры
Генераторы помех
Детекторы
Спец. приемники
Справочник
Настройка
Наши контакты
Наши партнеры
Гостевая
Интересная информация
Возьмите на заметку
Дополнительно