Телефонный ретранслятор с питанием от телефонной  линии без применения антенны.



















  Данный телефонный ретранслятор не нуждается в антенне, так как антенной является телефонная пара.
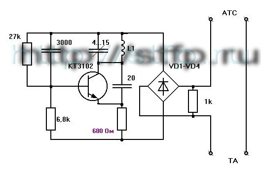
   Включается в разрыв телефонной линии. Для увеличения радиуса действия советую исключить (желательно это сделать во всех схемах такого типа) диодный мост, но в этом случае нужно соблюдать  полярность питания жучка. Катушка L1 - бескаркасная, с внутренним диаметром 6мм, содержит 5 витков (для УКВ), для FM - 4 витка провода ПЭВ- 0,7...0,9 мм.
   Настройка ретранслятора производится изменением емкости подстроечного конденсатора, а также сжатием или растяжением витков катушки L1 для приема сигнала в свободном от вещательных станций участке УКВ (FM) диапазона вещательного приемника. Радиус действия при КТ 3102 составляет около 200 метров. При преминении КТ 368 равен от 200 до 300м. Диодный мост можно заменить на германиевые диоды для уменьшения падения на них напряжения.




    Телефонный ретранслятор с питанием от телефонной линии.   

    Телефонный ретранслятор с питанием от телефонной линии повышенной мощности.   

    Телефонный ретранслятор с питанием от телефонной  линии без применения антенны.   

    Автоматическая запись телефонных переговоров.  

    Полностью бесконтактный съем информации с телефонной линии.   

    Кварцованный ретранслятор диапазона 27-28 мГц.   

    Телефонный ретранслятор с передачей 100 метров. В качестве антенны линия.   

    Ретранслятор с выходной мощностью 20 мВт.   

    Слушаем не только телефон, но и всю квартиру круглосуточно, круглогодично.   

    Питаемся от линии слушаем все вокруг.  


special technologies for professional company  © 2007-2009.
?????? ???????????
раскрутка сайта, поисковая оптимизация
Главная
Законодательство
Форум
Радиомикрофоны
Направленные микр
Выносные микр
Видеопередатчики
Стетоскопы
Телефонные жучки
Сотовые жучки
Скремблеры
Генераторы помех
Детекторы
Спец. приемники
Справочник
Настройка
Наши контакты
Наши партнеры
Гостевая
Интересная информация
Возьмите на заметку
Дополнительно
бумага для сублимационной печати