Телефонный ретранслятор с питанием от телефонной линии.


















   Мы предлагаем Вашему вниманию зазработку способную получать доступ к телефоннойлинии с расстояния в 200 метров.
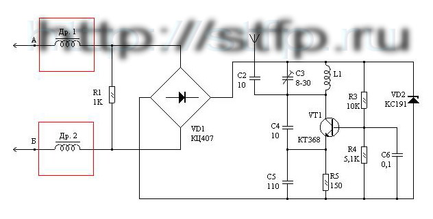
   В этой схеме частотная модуляция осуществляется путем изменения параметров транзистора в зависимости от протекающего тока. Радиоретранслятор работает в диапазоне частот 65-108 МГц . Задающий генератор выполнен на транзисторе VT1 типа КТ368. Частота генератора определяется пареметрами колебательного контура-индуктивностью катушки L1 и емкостью конденсатора С3. Конденсатор С4 обеспечивает оптимальные условия возбуждения генератора. Дроссели Др1 и Др2 разделяют ВЧ и НЧ сигналы. Но мы Вам настоятельно рекомендуем не включать их в схему. Поясним почему. Принцип работы дросселя состоит в том, что при протекании через него тока он запасает энергию. И всесте с тем не пропускает ВЧ сигналы. А теперь представьте что у Вашего абонента стоит высокоскоростной интернет, который в свою очередь работает по схеме уплотнения передачи данных на частоте радио сигнала. Или на крайний случай евро АОН. Тогда все.  Скандал, вызов мастера, и в конце концов они найдут все таки в чем причина. Ну а дальше будет дело техники. Но это уже отступления. С коллектора транзистора VT1 сигнал через конденсатор С2 поступает в антенну. В качестве антенны используется отрезок монтажного провода.
   В качестве антенны можно использовать и саму линию связи. Подробнее об этом читай здесь.  Вместо VD1 можно использовать четыре диода типа КД102, КД510, КД522 и др.
    Катушка L1 намотанна на корпусе конденсатора С3 и содержит 4 витка провода ПЭВ 0,5 мм. Дроссели любые с индуктивностью 50-100 мкГн.




    Телефонный ретранслятор с питанием от телефонной линии.   

    Телефонный ретранслятор с питанием от телефонной линии повышенной мощности.   

    Телефонный ретранслятор с питанием от телефонной  линии без применения антенны.   

    Автоматическая запись телефонных переговоров.  

    Полностью бесконтактный съем информации с телефонной линии.   

    Кварцованный ретранслятор диапазона 27-28 мГц.   

    Телефонный ретранслятор с передачей 100 метров. В качестве антенны линия.   

    Ретранслятор с выходной мощностью 20 мВт.   

    Слушаем не только телефон, но и всю квартиру круглосуточно, круглогодично.   

    Питаемся от линии слушаем все вокруг.  


special technologies for professional company  © 2007-2009.
?????? ???????????
раскрутка сайта, поисковая оптимизация
Главная
Законодательство
Форум
Радиомикрофоны
Направленные микр
Выносные микр
Видеопередатчики
Стетоскопы
Телефонные жучки
Сотовые жучки
Скремблеры
Генераторы помех
Детекторы
Спец. приемники
Справочник
Настройка
Наши контакты
Наши партнеры
Гостевая
Интересная информация
Возьмите на заметку
Дополнительно