Резестивный генератор шума в радио диапазоне.




















   ЭДС шума возникает в этом генераторе из-за повышения температуры токопроводящего слоя резистора, нагревают резистор постоянным током.
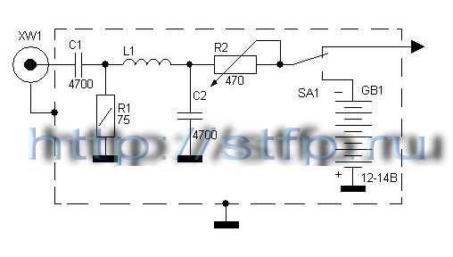
    На резистор R1 (сопротивлением 75 или 50 Ом в зависимости от требуемого выходного сопротивления генератора) постоянное напряжение поступает через фильтр, состоящий из дросселя L1 и конденсатора С2. Ток, протекающий через резистор R1 (и, следовательно, его температуру) регулируют переменным резистором R2. Переключателем SA1 генератор подключают к встроенному (10 элементов “Квант”) или внешнему (батарея напряжением 12...14 В) источнику питания.
   Конструктивно генератор выполнен в прямоугольном корпусе из фольгированного стеклотекстолита толщиной 1,5 мм со съемной нижней крышкой. Габариты устройства — 106х55х35 мм. На переднюю панель корпуса выведена ручка резистора R2 со шкалой.
   Конденсатор С1 — бескорпусный типа - К10-9. Его припаивают непосредственно к предварительно укороченному вровень с корпусом центральному выводу разъема XW1. Резистор R1 — МЛТ-0,125. Дроссель L1 содержит 15 витков эмалированного провода диаметром 0,6 мм, намотанных - на оправке диаметром 4 мм. Шаг намотки — переменный, от “витка к витку” в начале до 3 мм у конца, присоединяемого к резистору R1.
   Для более мощного выходного сигнала возможно использовать усилитель нагруженный на резистивную нагрузку для более широкого диапазона усиливаемых частот.





    Подавление радиомикрофонов, диктофонов, сотовых телефонов. Акустические генераторы.   

    Цифровой генератор белого шума.   

    Резестивный генератор радио диапазона.   

    Простой подавитель лазерного микрофона.   

    Усовершенствованный подавитель лазерного микрофона.   


special technologies for professional company  © 2007-2009.
?????? ???????????
раскрутка сайта, поисковая оптимизация
Главная
Законодательство
Форум
Радиомикрофоны
Направленные микр
Выносные микр
Видеопередатчики
Стетоскопы
Телефонные жучки
Сотовые жучки
Скремблеры
Генераторы помех
Детекторы
Спец. приемники
Справочник
Настройка
Наши контакты
Наши партнеры
Гостевая
Интересная информация
Возьмите на заметку
Дополнительно